
執行器知識
閥門首頁 > 閥門知識 > 執行器知識 > 上海湖泉閥門有限公司 電動執行器 是接受調節器輸出信號對調節對象施加作用的裝置。通常用在驅動閥門等機械設備中。根據執行器使用的...
上海湖泉閥門有限公司 電動閘閥 如何選配執行機構呢?很多人不明白,下面商湖泉閥門廠家技術員告訴你,閥門電動執行機構與閥門配套組...
上海湖泉閥門有限公司開關型 閥門電動裝置 DQW10-1W:部分回轉電動執行器(又稱為電動執行機構、閥門電裝、閥門電動頭),普通開關型,...
智能電動閥門執行器 如何調試呢?上海湖泉 電動閥門 廠家為你做詳細的描述 當我們的電動執行器收到設備以后,要仔細檢查廠家是否配備...
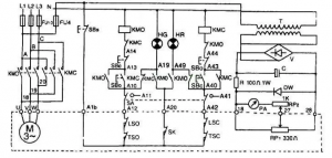
電動執行器 常見故障如何判斷呢,應該怎么維修呢,上海湖泉閥門廠家技術員給你分析:正確分析電動執行器解決路徑。 1、我們可以根據...
閥門電動裝置 定義 (1)壽命 電動裝置模擬閥門啟閉轉矩的變化進行開關循環操作,直至失去規定的性能時電動裝置的開關總次數。 (2)最大控...
在過程控制系統中, 電動執行器 由執行機構和調節機構兩部分組成。調節機構通過執行元件直接改變生產過程的參數,使生產過程滿足預...
1、將電動執行機構正確安裝在閥體上,確認手動運行正常 2、參照《產品說明書》關于電動閥門整機調試的要求對電動執行機構的零位(4...
EOA 精小型電動執行器 控制部件使用說明 一、精小型電動執行器概述 精小型 電動執行器 控制部件是一種緊湊型,智能化的調節型電動執行...
一種很奇怪的現象,什么牌子的電動執行器好用呢,哪些地方的電動執行器便宜呢 ,質量可好呢,售后服務周到呢,有時候客戶都會懷疑用...